西洋ミツバチ用ラングストロース式養蜂箱の作り方
趣味でミツバチを飼育していますが、西洋ミツバチの市販の巣箱は購入すると高価なので、自分で作ることにしました。図面と構造を紹介しています。
形状をシンプルにし、安くて簡単にできるように設計しました。
自分専用で、蜂舎内で固定して飼育するため、移動や雨対策は考慮していません。
巣箱楽天 1セットで箱2コ、底板1コ蓋1コが必要です。箱は底がなく、継箱と兼用です。底板をまず置き、その上に箱を重ねます。
載せるだけなので、動かすときは気をつけないといけません。当初、蓋は底板と兼用にしましたが、歪んでしまったので後日蓋を作っています。
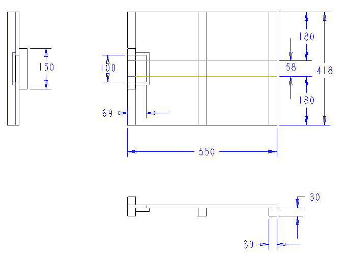
箱部分の図面

底板の図面

蓋の図面
底板兼用のフタでは、フタが歪んでしまい、蜂が隙間から出入りする不具合が出ましたので、新たにフタを作ることにしました。
蓋は2枚組にして、網蓋と蓋とに分けています。網蓋は夏季換気が必要な時に使います。
熊谷養蜂場製のフタが秀逸なので、これを参考にして作りました。
このフタは裏面が全面金網張りになっており、ミツバチが無駄巣を作りづらいようにしてあります。
その上の板と隙間が10mmほど空いており、そのまま換気口になっています。
作ったフタがこちら。網とフタに分けました。
こんなふうに二つ重ねて使います。
夏になったらフタをずらし、換気面積を増やす予定。
冬になったら...網を外して暖かい空気を逃がさないようにします。
巣箱の材料
6×1(140×19mm)×1820 2本 (箱1つ分)
180×12×2000 杉板 (底板用)
30×30角材 (底板用)
ラングストロース式巣箱の完成写真と使用中の写真
完成写真
蓋をはずしたところ
接合部分。現在はネジの数を増やしてます。
巣枠を掛ける部分。
使用中の巣箱。最下段は引き出し式巣箱を使用。
巣箱を開けたところ。
ラングストロース式巣箱の作りかた手順
製作編はこちらをご覧ください。
最終更新日: 2018-04-17 09:42:50