ともさんのHP >男の洋裁 >型紙ダウンロード >文化式とドレメ式原型製図を比較してみた

文化式とドレメ式原型製図を比較してみた

洋裁パターン教室に通い始めました(まだ1回しか行ってないけど)。
原型型紙というものがあるのをそこではじめて知りました。自分のからだにピッタリの原型を厚紙で作っておいて、服の型紙楽天 は原型に余裕を持たせた形状に製図するのだそうです。

広告


今までは自己流で3D-CAD上でモデルを作り、それを平面に展開して作っていたのです。
ネットで調べてみると、文化式とドレメ式という二つの原型製図法が有名なのだと知りました。
私の通っている教室はトミー式といって固有の定規を使う方法を習っているのですが、せっかくなので文化式とドレメ式も書いてみることにしました。
製図方法はネットで拾っています。


紙に製図するのが普通ですが、私はCAD、それも3D-CADが使えるので、これを利用して製図することにしました。
3次元CADにはパラメータを設定して、設定値を変更することで図面形状を修正できる機能があるので (2次元CADにはありません)、これを活用してどの体型でもすぐに図面楽天 を書き換えられる図を作成しました。
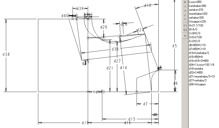
まずは文化式(旧式)を作図。
必要なのはバストと背丈寸法の2つ。あとの寸法はは計算で全て出してしまいます。 (寸法を変更すれば図面形状も対応して変更されます)


文化式原型、ドレメ式原型、トミー式原型の製図法

3D-CADで文化式原型を製図


それに対してドレメ式。
必要パラメーターは8つ(図には2つのパラメーターを入れていません)。寸法も多いですね
3D-CADでドレメ式原型を製図


トミー式も作図してみました。
この方式特許の定規を使うのですが、定規を測ってCAD入力して作りました。
パラメーターは6つで、ドレメ式より2つ少ないです。 3D-CADでトミー式原型を製図


では、この3つを重ねて比較してみましょう。寸法は女性の標準的なものを使い、3つとも同じ寸法で製図しました。
文化式とドレメ式原型の比較


赤:ドレメ式
緑:文化式
水色:トミー式

なんと!
ほとんど違いがありません(ありますが問題のないレベルでしょう)。

文化式ドレメ式原型製図の特徴比較

書いてみて、両者の長所短所が見えてきました。
文化式は簡単に書ける長所があるが、個々人の体にフィットした形状は出しにくい欠点がある。
ドレメ式は個々人の体にあった形状を作れるが、作図が煩雑なのが欠点。
私の習っているトミー式はドレメ式くらいにパラメーターが多く、専用定規を用いる特徴がありますが、 これは、ドレメ式の長所を生かして短所を無くすという狙いの方式なのだと思います。
ただし、定規というブラックボックスを作ってしまったことは、別の意味で考えると欠点かもしれません。 原理を学ぶことができなければ、次のステップへは進めません。


レーダーチャートにあらわすとこんな感じ。
原型製図方式比較


広告

服を自作するけど、標準体型に近い人 → 文化式
標準からずれているのでピッタリした服を作りたい → ドレメ式
製図をきっちり勉強したい、又はきっちりした性格 → ドレメ式
ドレメ式にしたいけど、製図とか算数は苦手な人 → トミー式
こんな感じで選択すればよいでしょうか(私のの主観的的判断)


男女原型、新原型の比較

追記
男女の原型型紙の違いも比較してみました。こちら
新原型での比較はこちらで紹介しています。

最終更新日: 2019-02-07 08:08:27

ともさんのHP >男の洋裁 >型紙ダウンロード >文化式とドレメ式原型製図を比較してみた

広告
新着ページ

AIを利用し、衣服のデザイン画から型紙を制作する方法  
2つのアパレル3D技術でひらくオーダーメイド生産の手法  
【洋裁型紙】前後身頃の肩の傾きは何故前身頃の方が傾いているのか  
電子追尾式天体写真撮影法  
日本ミツバチ巣箱の種類  
ドラフター(製図台)でソーイング  
日本ミツバチが逃亡  
カメさんの箱庭  
天体用デジタルカメラの構造と天体写真  
Javaで静止画像(Jpeg)を動画(Mov)に変換  
USBカメラをJAVAで制御  

他のサイト

3D-CAD
洋裁CAD

いいねなど

 RSS 

Author: Tomoyuki Ito

このサイトの文章・写真の無断転載を禁じます