ともさんのHP >ものつくり >小屋作り >金太郎飴工法による小屋の建て方

金太郎飴工法による小屋の建て方

金太郎飴工法なる工法はありません。私が勝手につけただけのものです。
金太郎飴のように、どこを切っても同じ断面の構造を地上で作り、並べて立て、横に桁を通し、小屋に仕立てる作り方です。なるべく地上での作業を多くして、高所作業を少なくし、短期間で作れるように考えてあります。
入り口が広く取れるので車庫や艇庫に応用すると良いと思います。
私は炭焼き小屋楽天 用として作りました。
構造を作り方を紹介します。


作ることになったきっかけ

いつも注文する材木屋さんが、「日に焼けて売り物にならなくなったから」といって材木をたくさんくれました。サイズは巾120厚み27、長さ3000でした。
さて何に使おう。量も多いし...で、たまたま炭焼き窯を作ろうと考えていたので、そのための小屋を作ることにしました。


広告


小屋の構造

下の図のような構造を4枚作っておき、最後に立てて桁で結びます。こうすれば危険な高所作業を 少なくすることが出来ます。
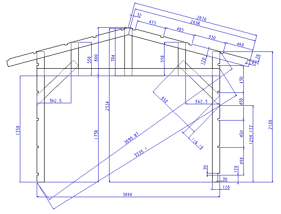
小屋の断面図


この構造の特徴は、板の繋ぎ方にあります。普通の建物であれば、柱の上に梁を載せて... となりますが、この小屋は、柱になる板に梁になる板を重ねてコーススレッド止めしています。
なので荷重が直接梁から柱へ伝わらず、一旦ビスが全て受取ります。なので、この建てかたでは重い建物は作れません。せいぜい物置小屋程度でしょうか。

小屋の建てかた、順序

4枚の小屋型を並べて立てます。このとき3人くらいの助っ人作業者が必要。
小屋の建築方法


横棒を入れます。横棒にはあらかじめ取り付け位置を示す印と下穴をつけておきます。
固定は全てステンレスのコーススレッドを使いました。
位置を確認したら、素早く固定します。これで各屋根型は平行になりました。
物置小屋の建築順序


筋交いを入れます。屋根楽天 型が垂直に立っていることを確認しながら固定します。
これで小屋が自立しました
セルフビルドの順序


残りの横棒を全て入れます。
四隅の柱間隔を測り、平面形状が菱形になっていないか確認します。
菱形だったら、カケヤで叩いて調整します。
小屋のカケヤ調整


屋根棒を入れます。屋根棒は横棒より大きな材を使い、コーススレッドも多く打ち込みました。
風で屋根ごと飛んでしまうと困るので...
小屋の建築方法


屋根に杉板とトタン波板を張り、壁に廃材の板を張って完成です!
小屋の建築方法


実際の小屋作り手順

柱をまとめて固定し、丸ノコで切って溝を入れます。ここには後で横桁を入れます。 屋根材にも同様にしてミゾを入れておきます。
木工部材のきざみ作業 木工部材ののきざみ作業


平らなところで小屋の形に組み立てます。 最初の一枚はよく寸法を確認して、ゆがんだりしていないか確認しながら固定します。
コーススレッドにせん断荷重がかかるので、多めに使っています。一か所当たり5本使いました。
小屋断面作成作業 小屋断面作成作業


建築場所に基礎を置きました。基礎といってもコンクリートブロックを置いただけです。水平はきちんと出しました。
小屋の基礎ブロック


最初に作った小屋型を「型紙」にして、たくさんの同じものを作ります。 2枚目からは、最初の構造の上にあわせて載せて固定してゆけば良いので、作業がはかどります。
小屋の地上作業 小屋の地上作業 小屋の地上作業


4枚出来ました。
小屋の地上作業


広告

物置小屋の棟上

地上での組み立てが出来たら、天候のよい休日を見計らって人を集め、一気に建てます。
このときは天候の良い土曜の午前から作業を始めました。
小屋の棟上げ作業


土日2日間でここまで完成。建てる時、たくさんの人に手伝っていただき、スムーズに出来ました。
翌週屋根に波板を葺いてほぼ完成しました。
小屋の棟上げ作業

15年後の小屋の様子

はやいもので、この小屋を建ててから15年が経過しました。
当初炭焼き窯をこの中においていたのですが、結局炭を焼く時間がありませんでした。
現在では炭焼き窯を撤去して、薪小屋として使っています。小屋一杯に楽天 を詰め込んで、冬の間の薪ストーブの燃料にします。
屋根はトタンの波板を葺いていますが、15年の間に2回ペンキを塗りなおしています。
亜鉛を含んだジンクリッジペイントを塗りました。
隣に植えた木もずいぶん大きくなりました。

最終更新日: 2020-01-07 04:56:24

ともさんのHP >ものつくり >小屋作り >金太郎飴工法による小屋の建て方

広告
新着ページ

AIを利用し、衣服のデザイン画から型紙を制作する方法  
2つのアパレル3D技術でひらくオーダーメイド生産の手法  
【洋裁型紙】前後身頃の肩の傾きは何故前身頃の方が傾いているのか  
電子追尾式天体写真撮影法  
日本ミツバチ巣箱の種類  
ドラフター(製図台)でソーイング  
日本ミツバチが逃亡  
カメさんの箱庭  
天体用デジタルカメラの構造と天体写真  
Javaで静止画像(Jpeg)を動画(Mov)に変換  
USBカメラをJAVAで制御  

他のサイト

3D-CAD
洋裁CAD

いいねなど

 RSS 

Author: Tomoyuki Ito

このサイトの文章・写真の無断転載を禁じます